Prieš kelias dienas akapsčiau garažą nuo daiktų, vėl darbai pajudėjo.
Tranny tunnel! Vėl vakarais jaučiu fabrikavimo džiaugsmą, kad iš nieko atsirado kažkas.
Alberto Haynes Roadster
Re: Alberto Haynes Roadster
Haynes forume žmonės skundėsi, kad sunkiai sueina priekinės pakabos kronšteinai, tenka įvirinti ~3 mm pastorinimus, kad siektų rėmą su norima pakabos geometrija. Pamatavau tada vasarą ir pas save -- nu tikrai, nesueina po 2-3 mm kiekvienoj pusėj. Vakar išpjausčiau ir pervirinau priekinį rėmą, kad po pakabos kronšteinai lengvai sueitų. Neintuityvus atradimas: Jei norim, kad šoninės rėmo plokštumos būtų statmenos pagrindo plokštumai, šoninių vamzdžių priekinės (viršutinės) plokštumos nesutaps! Atrodo, kad vamzdžiai "pasisukę".
Dar nuvaliau darbastalį, nuėmiau ir pasvėriau rėmą. Dabar jau 48 kg. Vienam uždėti, nuimti, ir šiaip nešioti šitą daiktą gan nepatogu.
Dar nuvaliau darbastalį, nuėmiau ir pasvėriau rėmą. Dabar jau 48 kg. Vienam uždėti, nuimti, ir šiaip nešioti šitą daiktą gan nepatogu.
Re: Alberto Haynes Roadster
Judam po truputį. Nusipirkau 1000x1250x3 lakštą, iš jo bulgarkinu "chassis plates". Pasibaigė 20x20x1.5 vamzdis, nes į vamzdžų sąrašo galą reikia po du vienodus vamzdžius su tuo pačiu numeriu, taigi skaičiuodamas reikiamą ilgį išsidūriau. Reiks nusipirkt. Galvoju, kas čia man galinius vamzdžius sulenks. Praktiškai rėmui trūksta tik tų galinių lankų ir juos remiančių vamzdukų, vairo palaikymo tiltelio ir visokių plokščių.
33,7x2,6 rast taip ir nepavyksta, visur vandens/dujų vamzdžiai su 3,0-2,8 sienele.
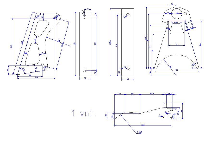
10mm, 5mm ir įmantresnes 3 mm plokštes užsisakiau išpjauti lazeriu Robigoj. Jie man ir pakabos kronšteinus sulankstys. Kainuos apie 500 Lt.
33,7x2,6 rast taip ir nepavyksta, visur vandens/dujų vamzdžiai su 3,0-2,8 sienele.
10mm, 5mm ir įmantresnes 3 mm plokštes užsisakiau išpjauti lazeriu Robigoj. Jie man ir pakabos kronšteinus sulankstys. Kainuos apie 500 Lt.
Re: Alberto Haynes Roadster
500lt ismesi i bala nes visa tai juk ir pats gali padaryti tai nera sudetinga. Reme matau viena vamzdi per anksti privirinai. Ten tas variklo skiriuja. Na as tingejau jieskoti kas man sulenks tai sendiena tureciau pabaigti konstuori lenkimo stakles
O seip yra firmeliu kas lanksto
Re: Alberto Haynes Roadster
500 litu tikrai ne i bala, pats kiek prisipjausciau tu metalu, kiek diskeliu suedziau , bulgarke viena nuejo, rubai visi sudeginti nuo bulgarkes tai irgi ieskau kur čia galetu supjaustiti visas reikalingas detales .Renatas wrote:500lt ismesi i bala nes visa tai juk ir pats gali padaryti tai nera sudetinga. Reme matau viena vamzdi per anksti privirinai. Ten tas variklo skiriuja. Na as tingejau jieskoti kas man sulenks tai sendiena tureciau pabaigti konstuori lenkimo staklesO seip yra firmeliu kas lanksto
Skype - Lopotas
Re: Alberto Haynes Roadster
Tai reiskesi tokiems darbams nera yrankiu. Vamzdzius plaustai su staklemis, skardas su bulgarke. Neperki pigiausiu diskeliu ir viskas puiku. diskeliaiu reiktu skirti bent jau kokius 3 lt 1 vnt . sumoki daugiau bet ir supjauni daugiau. Neisivaizduoju kaip gali prie tokiu skardu sueiti bulgarke. O rubais tai jau reike pasirupinti tiek pjaunant tiek virinant
Re: Alberto Haynes Roadster
na 3mm ir 5mm metala nepavadinčiau skardaRenatas wrote:Tai reiskesi tokiems darbams nera yrankiu. Vamzdzius plaustai su staklemis, skardas su bulgarke. Neperki pigiausiu diskeliu ir viskas puiku. diskeliaiu reiktu skirti bent jau kokius 3 lt 1 vnt . sumoki daugiau bet ir supjauni daugiau. Neisivaizduoju kaip gali prie tokiu skardu sueiti bulgarke. O rubais tai jau reike pasirupinti tiek pjaunant tiek virinant
Skype - Lopotas
Re: Alberto Haynes Roadster
Na tas tai taip
Bet perki dieskelius 08mm ir puikei eina nors ir 1mm be problemu. Ramei , neskubant ir darbaspadarytas. cia dar neperdaugiausia tu daliu is tokio laksto. Na aisku jei yra lisnu pinigu tai kodiel gi ne , bet as juos geriau skirciau irankiams 
Re: Alberto Haynes Roadster
Renatai, kiek suprantu, skirtumas tarp mūsų, kad tu turi priėjimą prie staklių rimtesniems darbams, o aš ne 
Man šitas detales iš 10mm ir 5 mm lakšto tektų gaminti bulgarke, dilde ir drėle. Brrr, baisu net pagalvot!
Man šitas detales iš 10mm ir 5 mm lakšto tektų gaminti bulgarke, dilde ir drėle. Brrr, baisu net pagalvot!
Re: Alberto Haynes Roadster
O vandeniu pjaut ne pigiau 

Vyras turi turet hobi. Jei vyras neturi hobio, jis vaiksto pas svetimas moteris
Skype - shropna